0102030405
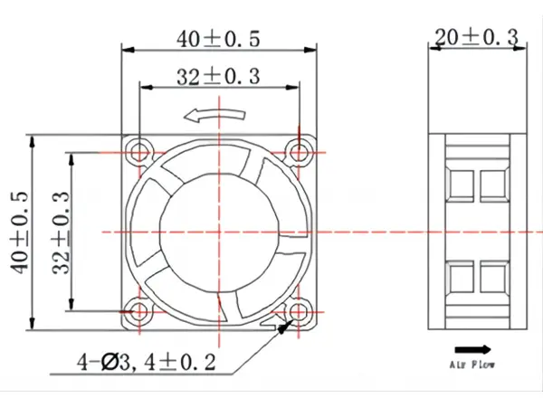
4020 40*40 *20 mm DC Fan for Humidifier and monitor
Product ParameterParameter
| Model | Bearing Type |
Rated Voltage |
Current | Speed | Air Flow | Pressure | Noise | Weight |
| VDC | A | RPM | CFM | mmH₂O | dBA | g | ||
| FD2440207S/B | Sleeve/Ball | 24 | 0.08 | 8000 | 9.2 | 5.95 | 35.8 | 23 |
| FD2440205S/B | 0.06 | 6500 | 7.4 | 4.20 | 29.1 | |||
| FD2440203S/B | 0.04 | 5000 | 5.7 | 2.54 | 23.5 | |||
| FD1240207S/B | Sleeve/Ball | 12 | 0.15 | 8000 | 9.2 | 5.95 | 35.8 | |
| FD1240205S/B | 0.10 | 6500 | 7.4 | 4.20 | 29.1 | |||
| FD1240203S/B | 0.06 | 5000 | 5.7 | 2.54 | 23.5 | |||
| FD0540207S/B | Sleeve/Ball | 5 | 0.23 | 7500 | 8.6 | 5.58 | 33.6 | |
| FD0540205S/B | 0.18 | 6500 | 7.4 | 4.20 | 29.1 | |||
| FD0540203S/B | 0.10 | 5000 | 5.7 | 2.54 | 23.5 |

Product introductionintroduction
1. Operating ambient temperature
Ball bearing: -30 to +75℃
Sleeve bearing: -10 to +70℃
2. Insulation resistance:
10 meg ohms min, at 500V DC (between frame and terming)
Dielectric strength: 5mA max at 500V/AC/60Hz one minute (between frame and terminal)
3. Functions:
Frequency generator signal option
4. Rated voltage: 12V .5V
5. A brushless DC motor comprises a motor body and a driver, representing a typical example of a mechatronic product. The stator winding of the motor is typically configured in a three-phase star-connected arrangement, closely resembling that of a three-phase asynchronous motor. The permanent magnets on the rotor are securely affixed, with an internal position sensor installed to detect the rotor's polarity. The driver consists of power electronic devices and integrated circuits, among other components, and its functions include: receiving start, stop, and brake signals to control the corresponding operations of the motor; processing position sensor signals and reversing signals to regulate the activation/deactivation of power transistors in the inverter bridge for continuous torque generation; accepting speed commands and speed feedback signals for speed control and adjustment; as well as providing protection mechanisms and display features.


